 
             Aqu u00ed les dejo en este v u00eddeo una pagina don de pueden encontrar todo el cableado de sus carros espero les sirva y se suscriban xd xd este es el link de
Se inscreva em nosso canal se ainda n\u00e3o for inscrito, curta e compartilhe o v\u00eddeo!!!!
Já conhece o new tecnoscópio?não perca mais tempo adquira já o seu!no. Ver más ideas sobre diagrama de instalacion electrica, instalación eléctrica, curso de mecanica automotriz. Audio (equipos de musica, amplificadores, reproductores, etc) marca:
Sitios para descargar y visualizar diagramas de circuitos elĂ©ctricos gratis sin registrarse ni abonar un solo centavo. Hace unos dĂas estuve hablando con un amigo que estudia electrĂłnica y me comento lo difĂcil que es encontrar sitios con diagramas de circuitos elĂ©ctricos gratis en internet, hoy me. Diagrama electrico de silverado 2004 in addition 2001 ford focus temperature #automecanico diagramas.
Diagrama del motor del ford sable station diagramas,esquemas electricos,taurus diagrama del motor de benz pequeno / carros. Descargar programas para diseñar diagramas eléctricos. Antes de ponerte manos a la obra, diseña el esquema de tu diagrama eléctrico y comprueba si funciona.
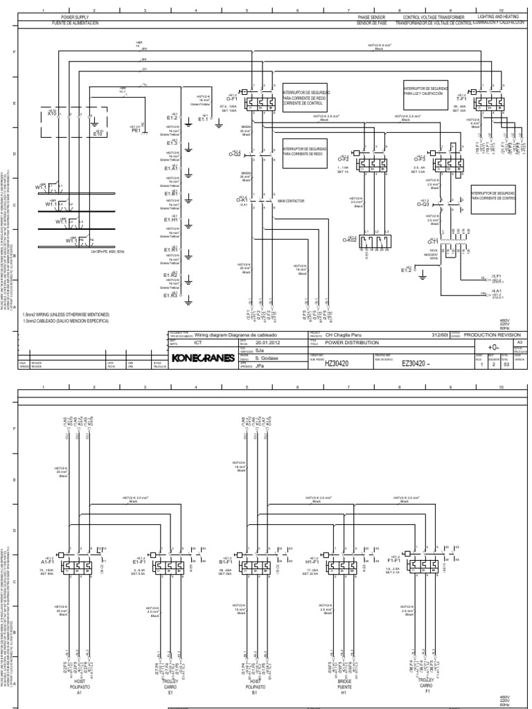
Existen muchos programas que permiten diseñar planos eléctricos, representar esquemas unifilares, hacer una simulación o ver el. Que es un diagrama?, para que sirve un diagrama electrico automotriz?. Grafica que representa la relacion entre los diferentes componentes de un conjunto, o sistema electrico, permitiendonos ubicar estos componentes dentro.
Diagramas eléctricos es fundado a principios del 2017 con la finalidad de proveer a todos los usuarios un fácil acceso a los diagramas eléctricos automotrices. Nuestra base de datos cuenta con el 99% de todos los sistema eléctrico automotriz, con las principales marcas del mundo automotor. Para el diseño podrás agregar otros diagramas eléctricos (siempre serán formatos pequeños).
La caja de herramientas cuenta con muchos componentes, pero encontrarlos será complicado porque no dispone proficad es un muy buen programa de diagramas elĂ©ctricos con grandes caracterĂsticas. Electronica digital tecnologia electronica imagenes de electricidad electricidad y electronica diagrama de instalacion electrica diagrama de circuito elĂ©ctrico proyectos elĂ©ctricos trabajo elĂ©ctrico componentes electronicos. Guardarguardar diagramas de circuitos electricos para proyectos para más tarde.
0 calificaciones0% encontrĂł este documento Ăştil (0 votos). Descargue como pdf, txt o lea en lĂnea desde scribd. Para poder leer e interpretar diagramas electricos de cualquier circuito electrico en especial de diagramas electricos de automoviles tenemos que tener algunos conocimientos basicos y muy importantes, a continuacion.
19 227 tykkäystä · 31 puhuu tästä. Que tu diagrama electrico te facilite el trabajo. Los diagramas elĂ©ctricos o electrĂłnicos se diferencian segĂşn el tipo de representaciones.
Estos tambiĂ©n pueden ser usados en elementos particulares. Los diagramas de cableado son importantes en las áreas de construcciĂłn, ingenierĂa y la fabricaciĂłn de dispositivos elĂ©ctricos o electrĂłnicos. 420 pages · 2004 · 13.71 mb · 589 downloads· spanish.
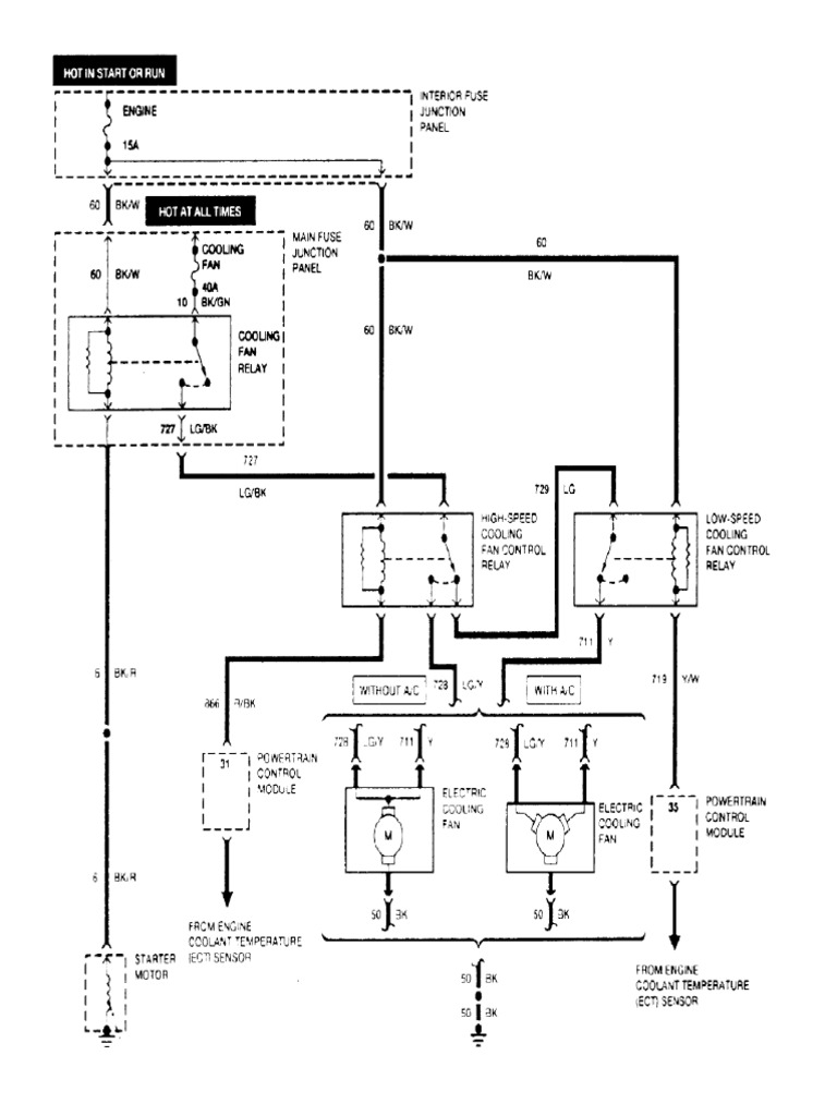
Emocionales se midieron registrando impulsos eléctricos de músculos faciales, registrando, por. Diagramas electricos mitsubishi eclipse (ingles) diagramas electricos localización de terminales ubicación de puesta a tierra configuración de diagramas sensores y relay selenoides entre otros. Diagramas eléctricos astra del 2000 al 2003 español.
Un diagrama elĂ©ctrico, tambiĂ©n conocido como un esquema elĂ©ctrico o esquemático es una representaciĂłn gráfica de las diferentes conexiones que lleva la instalaciĂłn de un circuito elĂ©ctrico y puede aplicarse a instalaciones residenciales e instalaciones. Recibirá informaciĂłn sobre nuevos lanzamientos, nuevos sĂmbolos e informaciĂłn adicional sobre proficad. Todos los mensajes contienen un enlace para darse de baja del boletĂn informativo.
Descargar al editor de diagramas eléctricos. Por mct ángel carlos ruiz hernández. Toda persona dedicada al trabajo eléctrico debe saber que para ejecutar esta actividad de una mejor forma es esencial tener los conocimientos básicos para la interpretación de diagramas o planos eléctricos.
Dentro de la industria existen diferentes tipos de maquinaria, que se encuentran controlados por circuitos eléctricos, que están formados por elementos eléctricos tales como botones, relevadores, etc., dichos elementos se encuentran conectados entre sà para que la maquinaria opere. Necesito consegir continuamente diagramas electricos de autos que debo hacer en especial el jetta clasico modelo 2010. Hola no se si puedan ayudarme con diagramas electricos de neon 2002 2.0 4 cilindros de la dodge muchas gracias su amigo mario.
Manual de taller de diagrama elĂ©ctrico de mazda 3. ArtĂculos, videos, fotos y el más completo archivo de noticias de colombia y el mundo sobre carros elĂ©ctricos. Ordenes elĂ©ctricas de encendido para motores honda civic todos los modelos.
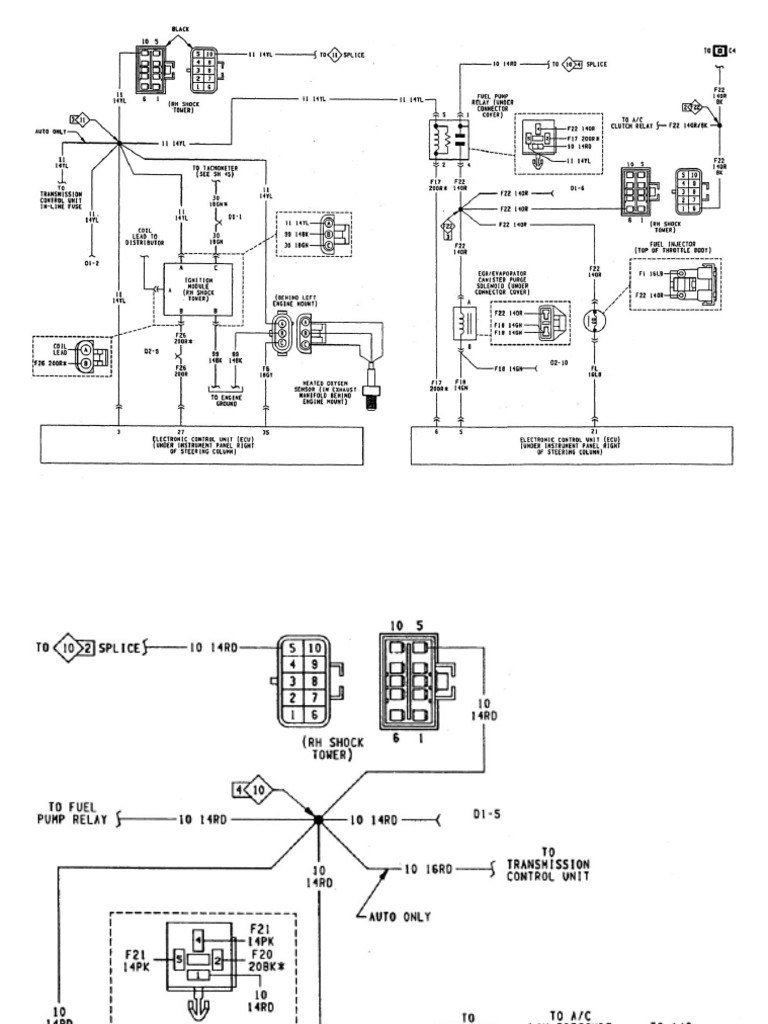
Los diagramas elĂ©ctricos son representaciones dibujadas de los circuitos elĂ©ctricos. Para dicha representaciĂłn se utilizarán una serie de sĂmbolos y leyendas preestablecidas para facilitar la lectura y compresiĂłn del modelo. Posted by bejomi1 en 2009/03/28.
Hola tengo inconvenientes con el encendido de mi carro, chevrolet swift 1300 a carburador le hice mto al motor hola me podrĂan ayudar necesito los diagramas electricos de una jeep gran cherokee 1999. Aqui les dejo el diagrama para su consulta y les servira mucho como guis de posibles daños. Mas adelante pondre agunas cositas que se presentan en este sistema electrico.
 
                        
                        
                        
                        
                        
                        
                        
                        
                        
                        
                        
                        
                        
                        
                        
                        
                        
                        
                        
                        
                        
                        
                        
                        
                        
                        
                        
                        
                        
                        
                        
                        
                        
                        
                        
                        
                        
                        
                        
                        
                        
                        
                        
                        
                        
                        
                        
                        
                        
                        
                        
                       